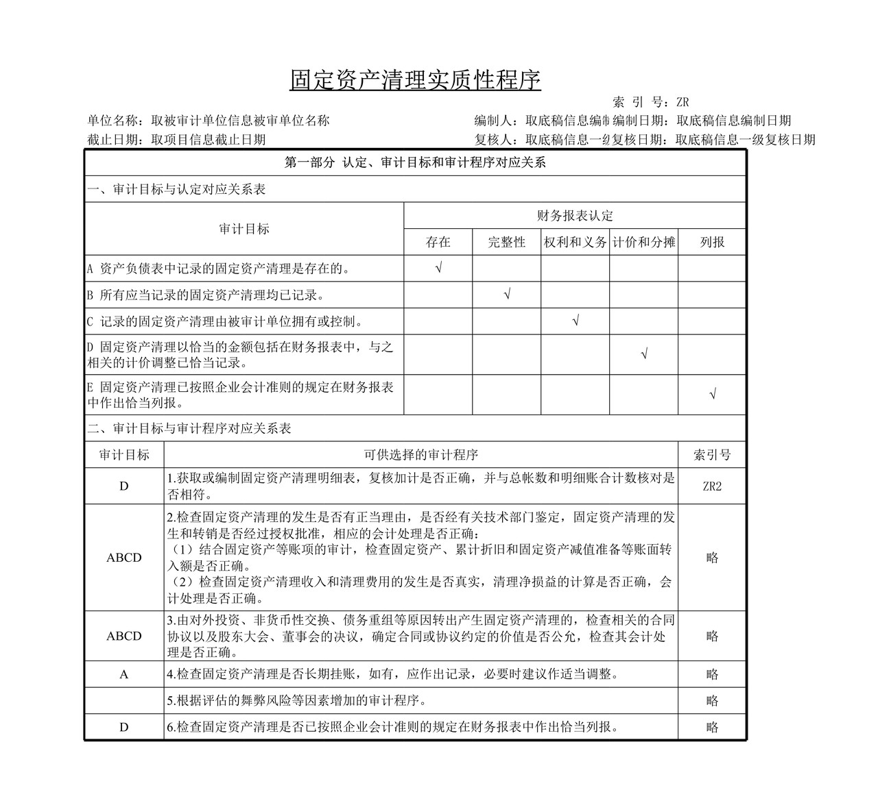
审计工作底稿模板—ZR固定资产清理



上一篇:
审计工作底稿模板—ZQ工程物资
2023-02-22
下一篇:
审计工作底稿模板—ZU无形资产
2023-02-22
上传时间:2023-02-22
文件类型:财税表单
文件格式:EXCEL
下载数量:603
文件来源:小竹财税
文件页数:--




关注公众号
皖公网安备 34011102003330号