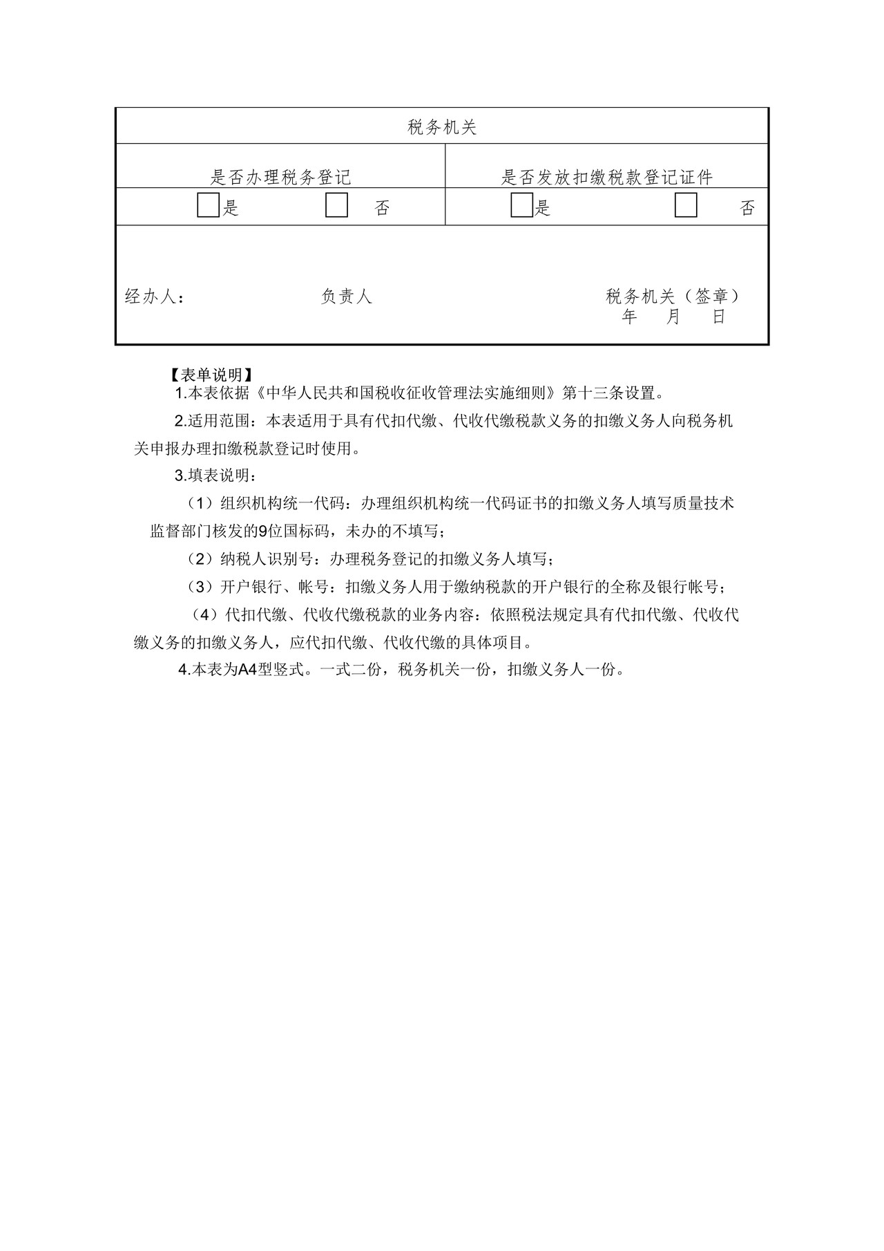
扣缴义务人登记表


上一篇:
空白发票上缴(封存)清单
2009-12-04
下一篇:
欠税人处置不动产或大额资产报告表
2018-03-22
上传时间:2018-03-21
文件类型:财税表单
文件格式:PDF
下载数量:542
文件来源:上海市税务局
文件页数:--
相关推荐
关注公众号
皖公网安备 34011102003330号