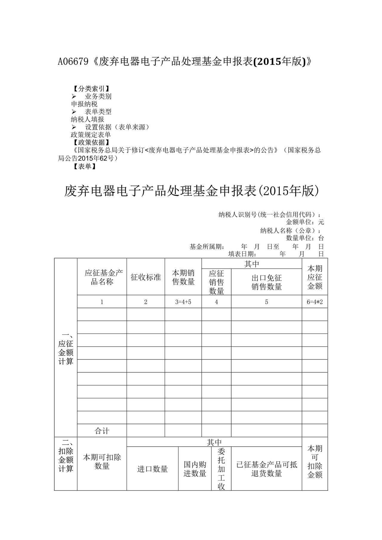
废弃电器电子产品处理基金申报表(2015年版)



上一篇:
文化事业建设费申报表(营改增)
2018-03-27
下一篇:
资产处置损益明细表
2018-03-26
上传时间:2018-03-27
文件类型:财税表单
文件格式:PDF
下载数量:601
文件来源:上海市税务局
文件页数:--




关注公众号
皖公网安备 34011102003330号